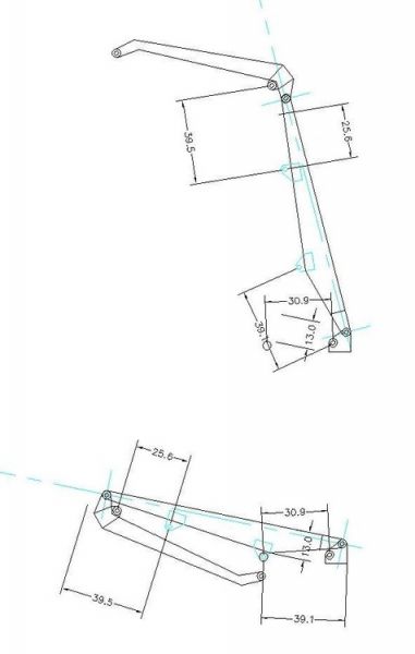
Fuchs 118 mit Spitzenausleger M1:50
Eine weitere Bastelei ist der Umbau eines Fuchs 118 von NZG mit Spitzenausleger. Dabei wurde die Maschine auch ein bißchen "gepimpt".
Als Spitzenausleger wurde der Ausleger des 301-Modells von NZG verwendet. Allerdings machte die Umlenkung Kopfzerbrechen. Leider gibt es in unserem Archiv keine Zeichnungen. Fündig wurden wir nur in den Ersatzteillisten.
Zunächst wurde der Oberwagen des Baggers verlängert. Ein Vergleich zeigt die verschiedenen Längen. Dann wurde die Seilumlenkung der Auslegerseile gebaut und die Hakenflasche mit einer Umlenkrolle versehen. Damit ist das Hubseil jetzt dreisträngig geschert. Die größte Fummelei war der Bau der Umlenkteile am Spitzenausleger.
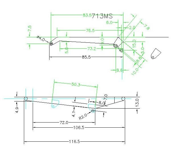
Fuchs 713MS - M1:50
Zu meiner Lehrzeit bei Fuchs gab es nur die beiden Fuchs 712 mit Tiefbauausrüstung auf Rädern bzw. Kette sowie die beiden Fuchs 118 auf Rädern und Kette., alle von NZG Ein Umschlaggerät gab es leider nicht. Als ich die Bilder des Fuchs-Archivs durchgestöbert hatte bin ich auf ein interessantes Modell gestoßen. Da wurde ein Fuchs 713MS auf den Unterwagen eines F118 aufgebaut. Das die Maschine kein Einzelstück war zeigen weitere Bilder. Sofort wurden die verfügbaren Modelle unter die Lupe genommen. In der Bastelkiste gab es noch einen schrottigen 118er-Oberagen. Für den Fuchs 712 wurde ein Raupen-Bagger geschlachtet. Das Fahrwerk bekam ein Kollege zur Weiterverwendung. Der Oberwagen des F712 musste verlängert werden. Dabei zeigte sich, das der Ballast des 118er recht gut passt. Die rechte Seite konnte vom 118er Modell übernommen werden. Allerdings musste das modifiziert werden. Der Bereich mit der Kurbel musste gekürzt werden. Das ging sehr gut, da dieser Bereich massiv war. Einige Feilenstriche und das Teil passte. Da das Kabinenteil nicht auf die Grundplatte passte wurde die Kabine vom 712 übernommen und der Ballast abgetrennt. Dazu musste noch ein Passstück angefertigt werden. Unten die drei Oberwagen im Vergleich.
Von links nach rechts: F118, F713, F712
Für das Arbeitsgerät blieb nur der Selbstbau. Zum Glück fand ich noch ein Bild, welches die Maschine genau in der Seitenansicht abbildet. Aus den Maßen von den Datenblättern lies sich dann der Massstab des ausgedruckten Bildes ableiten und die Konstruktion des Arbeitsgerätes begann. Nach zwei verregneten Sonntagen war das Arbeitsgerät fertig. Irgend ein MHL-Modell wurde mal mit Magnet und Greifer ausgeliefert. Davon war der Magnet noch übrig. Die Zylinder kamen vom schrottigen 118er sowie vom F712-Arbeitsgerät. Nun wurde alles zusammengepasst um die Funktion vor dem Lackieren zu prüfen. Die Stiellagerung wurde vom Arbeitsgerät des 712er abgetrennt, die Augen für die Zylinder wurden aus Messing hergestellt, damit die haltbarer sind. Mittlerweile waren die Teile alle lackiert und trockneten vor sich hin. Für den Unterwagen musste ein weiterer 118er herhalten. Der Oberwagen wird noch für eine andere Bastelei verwendet.
Fuchs 114 auf Mercedes 2626 M1:50
Im Fuchs-Archiv habe ich die Bilder eines Fuchs auf einem Lkw gefunden. Das sollte die Basis eines neuen Projektes geben. Eine Sondermaschine aus dem Anfang der 1980er Jahren. Ein Aufbau vom Fuchs 114 auf einen Mercedes 2626. Diese Teile mussten dafür herhalten: Der Oberwagen stammt vom F713MS-Projekt. Der Mercedes 2626 stammt als Kipper von Conrad. Die Abstützungen waren noch in der Bastelkiste und dann gab es noch einen schrottigen Raupen-Unterwagen. Zunächst einmal mussten die maßgeblichen Abmessungen zeichnerisch festgelegt werden. Dabei wird deutlich, daß der Rahmen des Conrad-Modells zu kurz ist. Der Rahmen muß genau um 27mm verlängert werden. Der Oberwagen des F114 ist im Original genau 50mm kürzer als der des F118. Diesen 1mm im Modell schenke ich mir.
Neben dem Rahmen muß die Kardanwelle getrennt bzw. entfernt werden. Ein weiteres Problem ist die Befestigung des Oberwagens mittels zentraler Schraube. Da ist die hintere Kardanwelle im Weg.
Die vordere Abstützung ist wie im Original starr eingebaut. Der Kasten für die hintere Abstützung wird aus den Raupenschiffen des Unterwagens gewonnen. Die Aufnahme für die Kran-Oberwagen wurde ebenfalls aus dem Raupen-Unterwagen herausgeschnitten.
Weil "Riffelblech" aus Polystyrol in 1:50 nicht gerade billig ist wurde zunächst eine Papierform des Aufbaus erstellt und angepasst. Sieht auf den ersten Blick gut aus, jedoch offenbart die Form einen Fehler: Bei der Breite hatte ich mich zunächst an der Lkw-Kabine orientiert. Das ist aber zu schmal. So wird die Breite desAufbaus aus der Breite der Reifen und der Breite des Baggers gemittelt. Und die Länge wird wohl nach vorne hin korrigiert. Im Original schließt der Aufbau in entwa mit dem vorderen Kotflügel ab. Ansonsten passt alles recht gutDder Aufbau wurde noch einmal modifiziert und natürlich in Karton zunächst zur Probe aufgebaut. Der Zuschnitt wurde dann auf Klebefolie gedruckt und von hinten auf das Polystyrol-Riffelblech geklebt. So kann man zuschneiden ohne das die Vorlage verrutscht. Nachdem der Aufbau aus Polystyrol gefertigt war wurde das Modell in den Kundenfarben lackiert.



































